专业 • 积极 • 守法 • 正派 • 共享

产品展示

Product

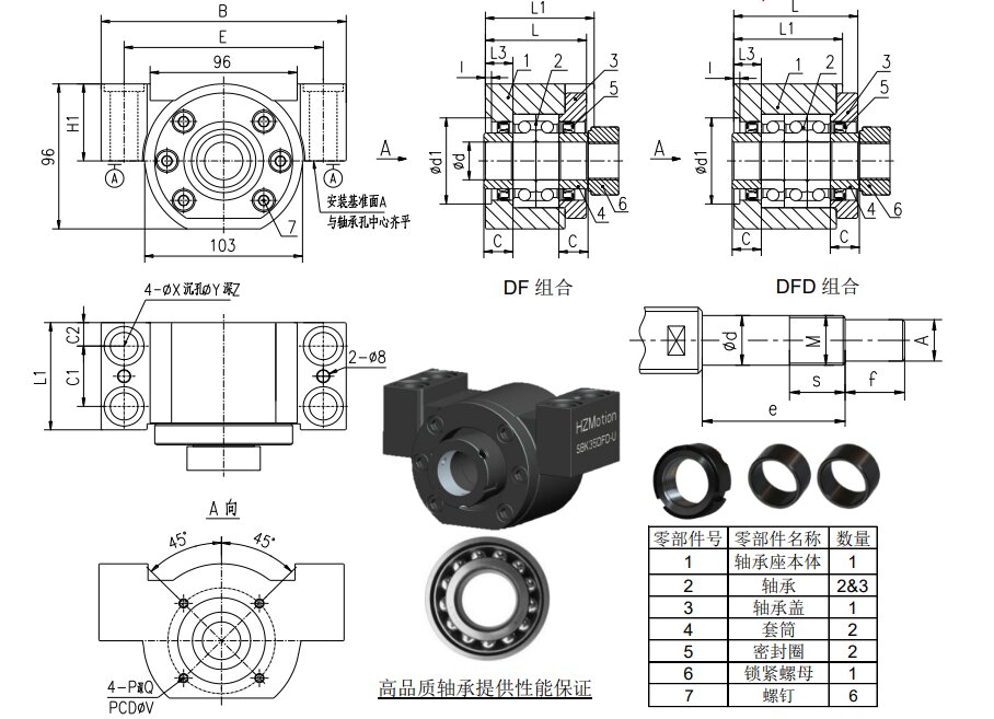
SBK-U高负荷系列(安装基准面与轴承中心齐平)

我司专业研发和生产世界著名厂商全型号滚珠丝杠专用精密轴承座,并在国际通用型号基础上,首创了TAC系列重载精密滚珠丝杠专用轴承座。各产品型号与台湾嵩阳SYK,日本THK,日本NSK,MISUMI,德国Rexroth相应型号通用。SBK系列具体型号:SBK25DF-U、SBK25DFD-U、SBK30DF-U、SBK30DFD-U、SBK35DF-U、SBK35DFD-U、SBK40DF-U、SBK40DFD-U
文档下载
产品详情
图档下载
PDF下载

2D图档
3D图档
SBK-U系列轴承座3D图档
文档下载